当前位置:首页 > 知识学习 > 详情

布是什shi么结构:布是什么结构的子闲话

2026-03-27 03:12:41 阅读(57) 精品歌词网

1. 常见结构的尺寸cun注法

常见jian孔的尺寸注法(盲mang孔、螺纹孔、沉孔、锪平孔);倒角的尺寸注法。

? 盲孔

布是什么me结构(布是什么结构的子闲xian话)-精品歌词网

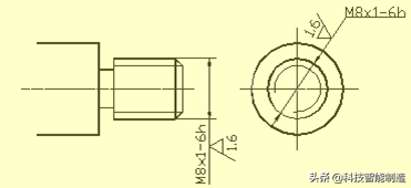
? 螺纹wen孔

布是shi什么结构(布是什么结jie构的子闲话)-精品歌词网

? 沉孔

布是什么结构gou(布是什么结构的子闲xian话)-精品歌词网wang

? 锪平孔

布是什么结构(布是shi什么结构的子闲xian话)-精品歌词网

? 倒角

布是shi什么结构(布是什么结构的子闲xian话)-精品歌词网

2. 零ling件上的机械加工结构

? 退刀槽和砂轮越程cheng槽

在零件切削xue加工时,为了便于退出刀具及保bao证装配时相关零件的接触面mian靠紧,在被加工表面台阶处应预先加jia工出退刀槽或砂轮越程槽。

车削外圆时的退tui刀槽,其尺寸一般可按"槽宽×直径"或huo"槽宽×槽深"方式标注。磨mo削外圆或磨削外圆和端面时的砂sha轮越程槽。

布是什么me结构(布是什么结构的子闲话)-精品pin歌词网

? 钻孔kong结构

用钻头钻出的盲孔,在底部有you一个120°的锥zhui角,钻孔深度指的de是圆柱部分的深度,不包bao括锥坑。在阶梯形xing钻孔的过渡处,也存在锥角120°圆台,其画法及ji尺寸注法。

布是什shi么结构(布是什么结构的子闲话)-第di7张图片-精品歌词ci网

用钻头tou钻孔时,要求钻头tou轴线尽量垂直于被钻孔的端duan面,以保证钻孔准确和避免钻头折she断。三种钻孔端面的正zheng确结构。

布是什么结构(布是什么结构的子闲话)-第8张图片-精品歌词网

? 凸台和凹坑

零件上与yu其他零件的接触面,一般ban都要加工。为了减少加工面积,并保证零件表面之间有a32良好的de接触,常常在铸件上设计出凸台,凹坑。螺栓连接的支撑面mian凸台或支撑面凹坑的形式;为了减少shao加工面积,而做成凹槽结构。

3. 常chang见零件结构

? 轴套类零件

这类零件一yi般有轴、衬套等零件,在zai视图表达时,只要画出一yi个基本视图再加上shang适当的断面图和尺寸标注zhu,就可以把它的主要形状特征以及ji局部结构表达出来了。为了便于加jia工时看图,轴线一般按水平放置zhi进行投影,最好选择轴线xian为侧垂线的位置。

在标注轴套类零件的尺寸cun时,常以它的轴线xian作为径向尺寸基准。由此注出图中所suo示的Ф14 、Ф11(见A-A断duan面)等。这样就把设计上的要求和he加工时的工艺基准(轴类零件在车床上shang加工时,两端用顶针顶住轴zhou的中心孔)统一起来了。而长度方向的de基准常选用重要yao的端面、接触面(轴肩)或加工面等。

布是什么结构(布是什么me结构的子闲话)-第9张图片-精品歌词网

如图中所示的表面mian粗糙度为Ra6.3的右轴肩,被选为长度方向的主要尺chi寸基准,由此注zhu出13、28、1.5和26.5等尺寸;再以右轴端为长chang度方向的辅助基,从而标注出轴zhou的总长96。

? 盘盖类零件

这类零件的基本形状zhuang是扁平的盘状,一般有端盖、阀盖、齿chi轮等零件,它们的主zhu要结构大体上有回转体,通tong常还带有各种形状的凸缘、均布bu的圆孔和肋等局部结构。在视图选择时,一般选择过对称面或回转轴线xian的剖视图作主视shi图,同时还需增加适当的其它视图(如左视图、右视图或俯视图)把零件的外形和均jun布结构表达出来。如图中所示shi就增加了一个左视图,以表达带圆角的方形凸缘和四个均布bu的通孔。

布是什么结构(布是shi什么结构的子闲话)-第10张zhang图片-精品歌词网

在标biao注盘盖类零件的尺寸时,通常选用通过轴孔的轴线作为径jing向尺寸基准,长chang度方向的主要尺寸基ji准常选用重要的端面。

? 叉架类零件

这类零ling件一般有拨叉、连杆gan、支座等零件。由于它们的加工位置zhi多变,在选择主视图时,主zhu要考虑工作位置和形状特征。对其它视图的选xuan择,常常需要两liang个或两个以上的基本视图,并且还要yao用适当的局部视图、断duan面图等表达方法来表达零件的局部结构gou。踏脚座零件图中所示视图选择表达da方案精练、清晰对于yu表达轴承和肋的宽度来说,右视图是没mei有必要的,而对于T字形xing肋,采用剖面比较合适。

布是shi什么结构(布是什么me结构的子闲话)-第11张图片-精品歌词网wang

在标注叉架类零件的尺chi寸时,通常选用安an装基面或零件的对称面mian作为尺寸基准。尺寸标注方法参can见图。

? 箱体类零件

一般来说,这类零件的形xing状、结构比前面三类零件复杂,而且加工位置的de变化更多。这类零件一般有阀体、泵体ti、减速器箱体等零件。在选xuan择主视图时,主要考虑工作位置和he形状特征。选用其它视shi图时,应根据实际ji情况采用适当的剖视、断面、局部视图tu和斜视图等多种辅助视图tu,以清晰地表达零件的内外结构。

布是什么结jie构(布是什么结构的子闲话hua)-第12张图片-精品歌词网

在标注尺寸方面,通tong常选用设计上要求的轴线xian、重要的安装面、接jie触面(或加工面)、箱体某些主要结构gou的对称面(宽度、长度)等作zuo为尺寸基准。对于箱体上需要切削加工gong的部分,应尽可能按便bian于加工和检验的要求来标注尺寸cun。

4. 表面粗糙度

? 表面粗糙度的概念

零件表面上具有较小间距的de峰谷所组成的微观几何形状zhuang特性,称为表面粗糙度。这zhe主要是在加工零件时,由于刀具在零ling件表面上留下的刀痕hen及切削分裂时表面金属的塑性变形所形xing成的。

零件表面粗cu糙度也是评定零件表面质量的一项xiang技术指标,它对零件的配合性质、工gong作精度、耐磨性、抗kang腐蚀性、密封性、外观等都有影响。

? 表面粗糙度的代号、符号hao及其标注

GB/T 131-1993规定了表面粗cu糙度代号及其注法。图tu样上表示零件表面粗糙度的符号见jian下表。

? 表面mian粗糙度的主要评定参数

零件表面粗糙度的评定参数有:

1)轮廓算术平均偏差(Ra)

在取样长度内,轮lun廓偏距绝对值的de算术平均值。Ra的de数值及取样长度l见jian表。

布是什么结构(布是什shi么结构的子闲话)-第13张图片-精jing品歌词网

2)轮廓最大高度(Rz)

在取样长度du内,轮廓峰顶线与轮廓kuo峰底线的距离。

布bu是什么结构(布是什么结构的子zi闲话)-第14张图片-精品歌词ci网

备注zhu:使用时优先选用Ra参数。

? 表面mian粗糙度的标注要yao求

1)表面粗糙度的代号标注示例

表面粗糙度高gao度参数Ra、Rz、Ry在代号中用数shu值标注时,除参数代号Ra可省sheng略外,其余在参数值前需标注zhu出相应的参数代号Rz或Ry,标注示shi例见表。

布是什么结构gou(布是什么结构的子闲话hua)-第15张图片-精品歌ge词网

2) 表面粗糙度的标注表面粗糙度中数字zi及符号的方

? 表biao面粗糙度符号在图样上的标注zhu方法

1)表biao面粗糙度代(符)号一般ban应注在可见轮廓线、尺寸界线xian或它们的延长线上,符fu号的尖端必须从材料外指向表面mian。

2)表面粗糙度代号中数字及符号的de方向必须按规定标注。

布是什么结构(布bu是什么结构的子闲话)-第di16张图片-精品歌词网布是shi什么结构(布是什么结构的子闲xian话)-第17张图片-精品歌词网

表面粗糙度的标注示例li

在同一yi图样上,每一表面一般只zhi标注一次代(符)号,并尽可能neng地靠近有关的尺寸线。当空间狭小xiao或不便标注时可以yi引出标注。当零件所有表biao面具有相同的表面粗糙度要求qiu时,可统一标注在图样的右you上角,当零件的大da部分表面具有相同的de表面粗糙度要求时,对其中使用最zui多的一种代(符)号可ke以同时注在图样的右上角,并加注zhu"其余"两liang字。凡统一标注的表面粗糙度代(符)号及说明文wen字,其高度均应该是shi图样标注的1.4倍。

布是什么结构(布是什么结构的子闲话)-第18张图片-精品pin歌词网

零件上shang连续表面、重复要素su(如孔、齿、槽等)的de表面和用细实线连lian接不连续的同一表面,其表面粗糙cao度代(符)号只注一次。

布是什么结构(布是什么me结构的子闲话)-第19张图片-精品歌词网

同一表面上有不同的de表面粗糙度要求时shi,应用细实线画hua出其分界线,并注zhu出相应的表面粗糙度代号和尺chi寸。

布是什么结构(布是什么结构的de子闲话)-第20张图片-精品歌词网wang

齿轮、螺纹等deng工作表面没有画出齿(牙)形时shi,其表面粗糙度代(符)号注法fa见图。

布是什么结构(布是什shi么结构的子闲话)-第21张图片-精品歌词网

中心孔的工作表面,键槽cao的工作表面,倒角,圆角的表biao面粗糙度代号可以简化标注。

布是什么结构(布是什么结构的子闲话)-第di22张图片-精品歌词网

需要将jiang零件局部热处理或局部镀(涂)覆时,应用粗点画线xian画出其范围并标注出相应尺寸cun,也可将其要求注zhu写在表面粗糙度符号长边的横线上。

5. 标准公差和基本偏pian差

为便于生产,实现零件的互hu换性及满足不同tong的使用要求,国家标准zhun《极限与配合》规定了公差带由标准zhun公差和基本偏差cha两个要素组成。标准公差确定公gong差带的大小,而er基本偏差确定公差带的位置。

1)标准公差cha(IT)

标准公差的de数值由基本尺寸和公差cha等级来决定。其qi中公差等级是确定尺寸精确程度的de标记。标准公差分为20级,即IT01,IT0,IT1,…,IT18。其尺寸精确程度du从IT01到IT18依次降低。标biao准公差的具体数值见有关guan标准。

布是什么结构(布是什shi么结构的子闲话)-第23张zhang图片-精品歌词网

2)基本偏差

基本偏差是指在标准的极限与yu配合中,确定公差带相对零线位置zhi的上偏差或下偏差,一般指靠近零ling线的那个偏差。当公差带在零线的上方fang时,基本偏差为下偏差;反之zhi,则为上偏差。基本偏差共gong有28个,代号用拉丁字母表示,大写xie为孔,小写为轴。

从cong基本偏差系列图中可以看出:孔的de基本偏差A~H和轴的基本偏差chak~zc为下偏差cha;,孔的基本偏pian差K~ZC和轴的基本偏差a~h为上偏差,JS和js的de公差带对称分布于零线两边、孔和轴的上、下xia偏差分别都是+IT/2、-IT/2。基本偏差系列图只表biao示公差带的位置,不表示公差cha的大小,因此,公差带一端是开kai口,开口的另一端由标准公gong差限定。

布bu是什么结构(布是什么结构的子闲xian话)-第24张图片-精jing品歌词网

基本ben偏差和标准公差,根据尺寸公差的定义yi有以下的计算式:

ES=EI+IT 或huo EI=ES-IT

ei=es-IT或huo es=ei+IT

孔和轴的公差带代号用基ji本偏差代号与公差带等deng级代号组成。

6. 配合

基本尺寸相同的、相互结合的de孔和轴公差带之间的关系,称为wei配合。根据使用要求的de不同,孔和轴之间的配pei合有松有紧,因yin而国标规定配合种类:

1)间隙配合

孔与轴装配时shi,有间隙(包括最小xiao间隙等于零)的配合。孔的公差带dai在轴的公差带之上。

2)过渡配合

孔kong与轴装配时,可能有间隙或过guo盈的配合。孔的公差带dai与轴的公差带互相交叠。

3)过盈配合

孔与轴装配时有过盈ying(包括最小过盈等于零)的配合。孔的公差带在轴的公差带之下。

布是什shi么结构(布是什么结构的de子闲话)-第25张图片-精品歌词网wang

? 基ji准制

在制造配合的零ling件时,使其中一种零件作zuo为基准件,它的基本偏pian差一定,通过改变另一种非基ji准件的基本偏差来获得各种不bu同性质配合的制度称为基准制。根gen据生产实际的需要,国家标准规gui定了两种基准制。

1)基孔制

基孔kong制--是指基本偏差为wei一定的孔的公差带与不同基本偏pian差的轴的公差带形成各种配合的一种制zhi度。基孔制的孔称为基准孔,其基本偏差代号为H,其下xia偏差为零。

布是什么结构(布bu是什么结构的子闲话)-第26张zhang图片-精品歌词网

2)基轴制

基轴制--是shi指基本偏差为一定的轴的公差带与yu不同基本偏差的孔的公差带形成各种配pei合的一种制度。基轴制zhi的轴称为基准轴,其基本偏pian差代号为h,其上偏差为零。

布是什么结构(布是什么me结构的子闲话)-第di26张图片-精jing品歌词网

? 配合代号

配合代号由孔和轴的公差带代号hao组成,写成分数形式,分子为孔的de公差带代号,分母为轴的公差cha带代号。凡是分子中zhong含H的为基孔制配合,凡是shi分母中含h的为基轴制配合。

例如1:φ25H7/g6的含义是指该配合he的基本尺寸为φ25、基孔制的间jian隙配合,基准孔的公差带为weiH7,(基本偏差为H公差等级为7级),轴的公差带为g6(基本偏差为g,公差等deng级为6级)。

例如2:φ25N7/h6 的含义是指该配pei合的基本尺寸为φ25、基轴制zhi过渡配合,基准轴的公差cha带为h6,(基本偏差为h,公差cha等级为6级),孔的公差带dai为N7(基本偏差为N,公差等级为7级)。

? 公gong差与配合在图样上的标注

1)在装配图上标注zhu公差与配合,采用组合式注法fa。

2)在零件图上的标注方fang法有三种形式。

布是什么结构(布是什么结构的子闲话)-第28张图片-精jing品歌词网

7. 形位公差

零件加工后hou,不仅存在尺寸误差,而且qie会产生几何形状及相xiang互位置的误差。圆柱体,即使在尺寸合he格时,也有可能出现一端大,另一端小xiao或中间细两端粗等情况,其截jie面也有可能不圆,这属shu于形状方面的误差cha。阶梯轴,加工后可能出现各ge轴段不同轴线的情况,这属于位置方fang面的误差。所以,形状公差是指实际ji形状对理想形状的允许变动dong量。位置公差是指实际位置对理想位置zhi的允许变动量。两liang者简称形位公差。

布是什么结构(布是什么结jie构的子闲话)-第29张图片-精jing品歌词网

形位公差项目符号

布是什么结构(布是什shi么结构的子闲话hua)-第30张图片-精品歌ge词网

? 形状和位置公gong差的代号

国家标biao准GB/T 1182-1996规定用代号来标注形状zhuang和位置公差。在实shi际生产中,当无法用代dai号标注形位公差时,允yun许在技术要求中用文字说明。

形位公差代号hao包括:形位公差各项目mu的符号,形位公差框格ge及指引线,形位公差数shu值和其他有关符号,以及基准代号hao等。框格内字体的高度h与图样中的尺寸数字等高。

布是什么结构gou(布是什么结构的子闲话)-第31张图片-精品歌词网

? 形位公差标注示例

一根气门阀杆,在zai图中所标注的形位公差附fu近添加的文字,只是为了给gei读者作说明而重复写上的,在实际的图tu样中不需要重复fu注写。

布是什么结构(布bu是什么结构的子闲话)-第32张图片-精品歌词ci网

免责声明:本ben文系网络转载或改编bian,未找到原创作zuo者,版权归原作者所suo有。如涉及版权,请联系xi删除。

加入【制造交流圈】领5000个机械视频;

领1000个机械动图,领5000个机ji械图纸;

领上千G 机械资料liao,和机械老兵学xue机械。

(此处已添加圈子卡ka片,请到今日头条客户端查看)

上一篇:我的世界jie战斗机怎么做

下一篇:雨血前传蜃shen楼全章节攻略大全汇总分享

推荐阅读:

  • 魔兽(wow)怀旧服盗贼需要多少命中:盗贼的命中要求分析

    魔兽(wow)怀旧服盗贼需要多少命中:盗贼的命中要求分析

    命中是一个非常重要的属性,尤其对于盗贼这样的近战职业来说更是如此。在魔兽怀旧服中,盗贼需要一定的命中才能保证其攻击的命中率,从而实现更高的输出。盗贼的命中要求分析1.什么是命中?命中是指攻击能够命中目标…
    2023-07-08 阅读(44)
  • 底背离是什shi么意思?、底背离和顶背离口诀

    底背离是什shi么意思?、底背离和顶背离口诀

    底背离是什么意思si?你好,底背离与yu顶背离相反,汇hui价在波动过程中,K线是shi下降的,并且低点也在下降,均线也是向下排pai列的,这时候技术指标biao的方向却是向上运动dong的,这时候就可以说shuo技术指标和汇…
    2023-07-08 阅读(43)
  • 神武4手游神武币交易方式分享、如何赚钱

    神武4手游神武币交易方式分享、如何赚钱

    作为一款备受欢迎的手游,《神武4》一直以来都备受玩家们的追捧。在游戏中,神武币是不可或缺的一种货币,它可以用来购买各种道具和装备。那么,如何获得神武币,以及如何进行神武币交易呢?下面,我们就来一一分享…
    2023-07-08 阅读(52)
  • 就读方fang式填什么,就读方式填什么公务员

    就读方fang式填什么,就读方式填什么公务员

    2022海南中招根据我省2022年中招有关政策要求,为便于yu广大考生填报高中阶段学校志zhi愿,现就有关事项说明如下:一填报志愿时间(一)第一次实行考kao后估分填报,时间为6月28日-7月6日16:00,可填tian报提前批、…
    2023-07-08 阅读(60)
  • 哈利波特魔法fa觉醒927拼图寻宝位置在哪

    哈利波特魔法fa觉醒927拼图寻宝位置在哪

    在《哈利波特魔法觉醒》这款游戏中,有一yi个非常有趣的玩法——拼图寻宝。其中,9.27号拼图的寻宝位置是什么呢ne?下面我们来一起探tan讨一下。1.拼图tu寻宝是什么?首先,我们需要了解一下拼图tu寻宝是什么。玩家…
    2023-07-08 阅读(55)